爱情岛论坛
CR Home
华润网群
繁體版
主页
全景介绍
爱情岛论坛概况
爱情岛论坛
视频专区
联系我们
爱情岛论坛资讯
爱情岛论坛
通知公告
媒体传真
公司大事记
专题专栏
投资者关系
公司治理
公司管理层
股票信息
临时公告
定期报告
投资者服务
三九网群
华润老桐君
爱情岛论坛 (北京)
爱情岛论坛 (枣庄)
爱情岛论坛 (南昌)
爱情岛论坛 (黄石)
爱情岛论坛 (郴州)
华润顺峰
华润本溪三药
华润天和
三九金复康
九星印刷
大健康事业部
专业品牌事业部
国药事业部
创新业务事业部
处方药事业部
产业链专班
爱情岛论坛 医贸
中药创新中心
产品与服务
业务领域
产品展示
客户服务
不良反应
社会责任
责任理念
责任报告
责任活动
责任荣誉
EHS专题
ESG专区
人力资源
人才招聘
人才选用
风采展示
信息公开
公司治理
发展成果
人事变动
负责人薪酬
阳光宣言
商业行为规范
联系我们
网站地图
隐私条款
免责声明
澳诺(中国)
公司简介
新闻动态
产品介绍
资质荣誉
业务接洽
新闻动态
主页
>
澳诺(中国)
>
新闻动态
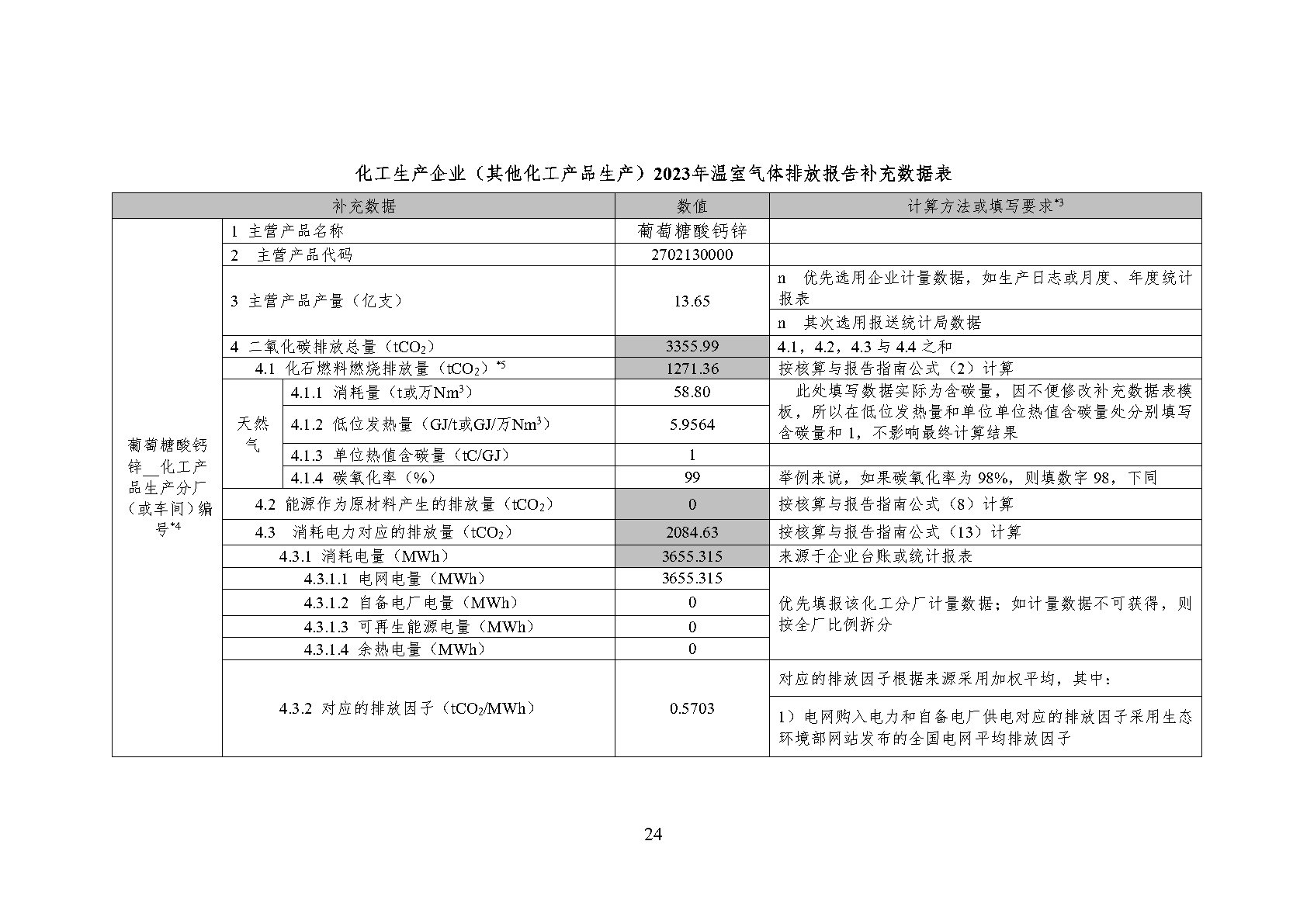
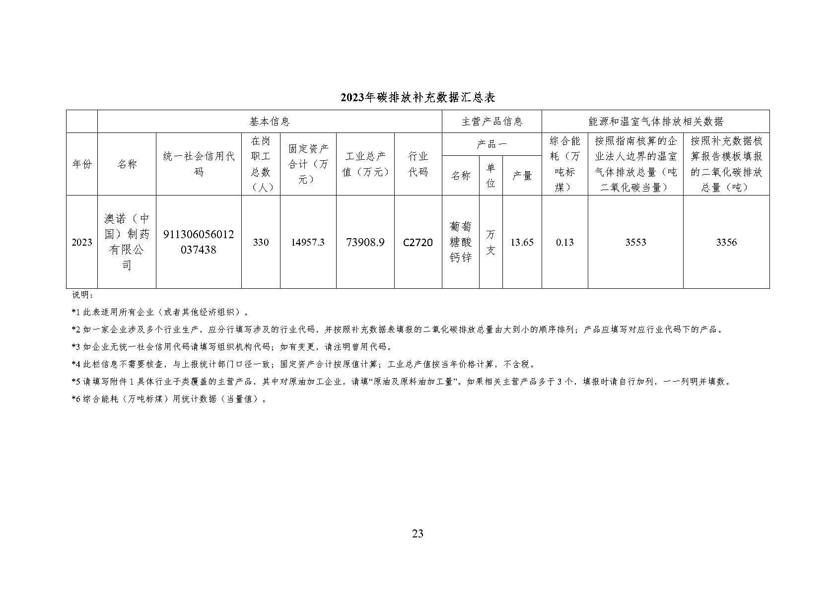
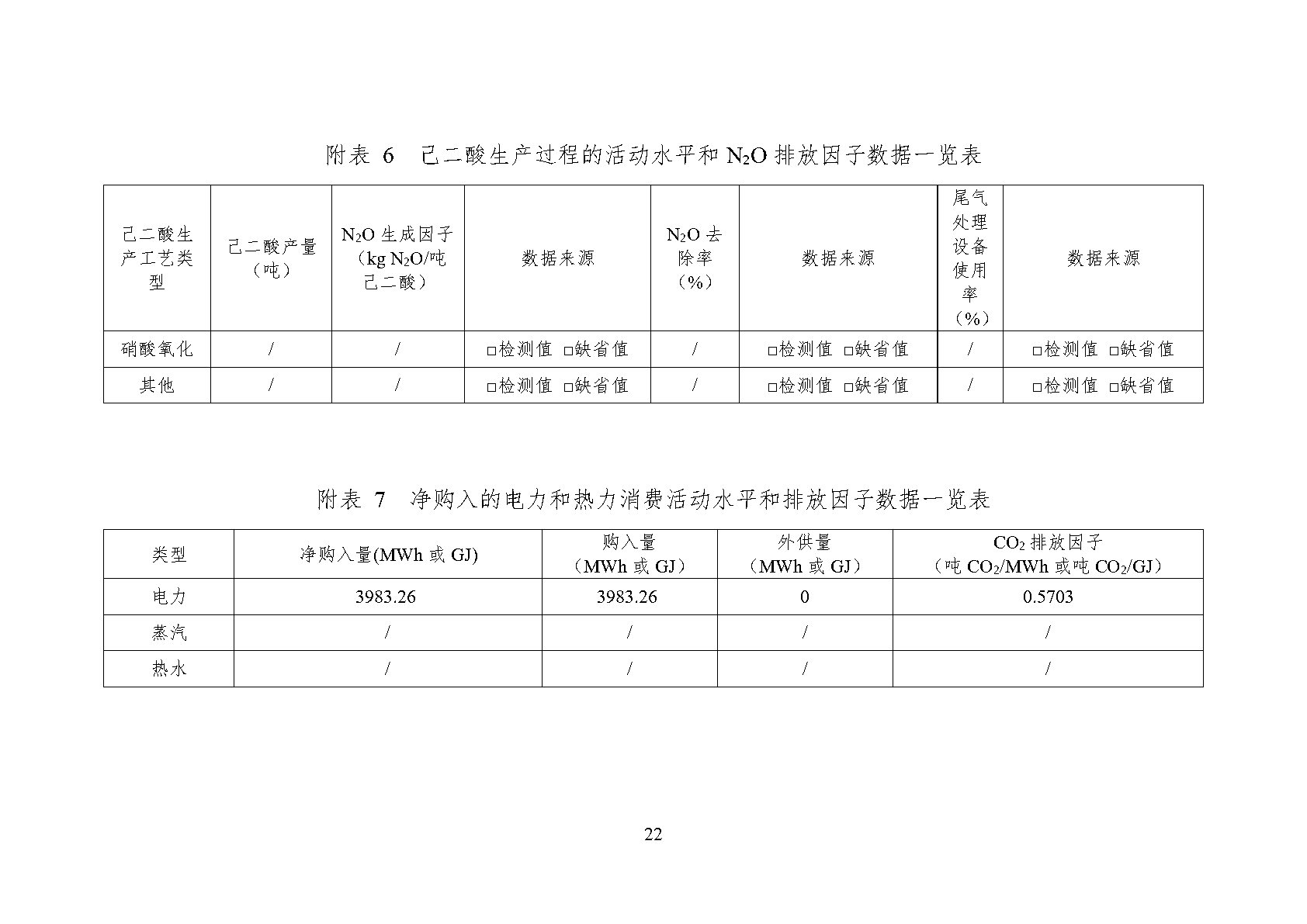
中国化工生产 企业温室气体排放报告
发稿时间: 2024-05-07
【 字体:
大
中
小
】
返回到主页
回到顶部